原标题:基于晶体管的简单异或逻辑器件-飞捷士科技逻辑元件“异或”广泛应用于各种数字设备中然而,在某些情况下,例如,当使用增加的操作电压时,不可能使用标准芯片这个问题可以通过使用离散元素来解决如果标准的AND或or逻辑元件很容易被二极管电阻电路取代,那么XOR元件的情况要复杂得多。
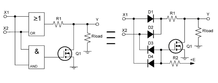
值得注意的是,3XOR逻辑门并非由该行业制造下面将展示如何从一组标准离散元件合成2XOR和3XOR元件图1显示了如何从2OR和2AND逻辑元件以及VT1晶体管的组合中合成2XOR元件反过来,元件2OR和2AND可以用它们的来自分立元件的对应物来代替。
例如,二极管D1和D2以及电阻器R1和Rload(Rload>>R1)相当于逻辑元件2OR,如图1所示二极管D3和D4以及电阻器R2等效于2AND逻辑元件
图1 XOR逻辑元件及其使用离散元件的模拟电路。2XOR元件的第二个变体如图2所示。晶体管Q1和Q2以及电阻器R2用作2AND元件。
图2逻辑元件XOR由离散元件组成。2XOR逻辑元件的以下模拟变体是在场效应(图3)和双极(图4)晶体管上制作的。
图3场效应晶体管上的逻辑元件2XOR。
图4双极晶体管上的逻辑元件2XOR显然,如果在输入X1和X2处存在“Log.0”电平,则在元件的输出处也将观察到“Log.0“当“Log.1”电平的信号被施加到其一个输入端,例如X1,并且“Log.0”电平的电压被施加到输入端X2时,该信号将通过电阻器R1和二极管D1到达器件的输出端Y。
当然,输出电压将略低于输入电压,这在大多数情况下对数字设备的操作并不重要,尤其是在高电压区域工作当“Log.1”电平信号施加到输入X2,而“Log.0”电平信号施加到输入X1时,也会出现类似的情况如果信号为“对数1”,则施加到器件的两个输入端,晶体管Q1和Q2都将断开,并禁止输入信号通过到器件的输出端。
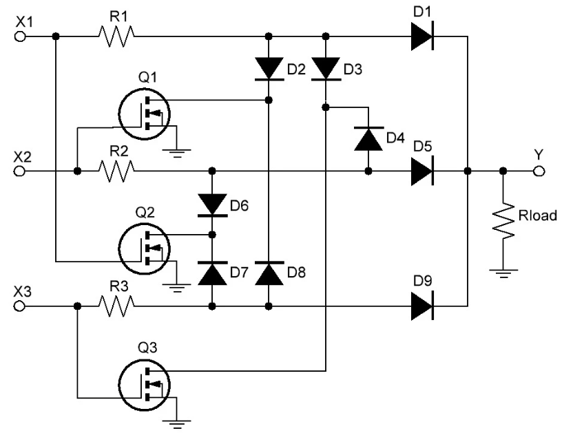
3XOR逻辑元件的类似物,如图5和图6,比以前的要复杂得多,但值得考虑的是,由于执行的复杂性增加或其他原因,没有产生微电路形式的此类元件表1(真值表)根据输入信号的集合来表征3XOR逻辑元件的输出信号电平。
图5双极晶体管上的逻辑元件3XOR。
图6场效应晶体管上的逻辑元件3XOR。
表1 3XOR逻辑元件的真值表深圳市飞捷士科技有限公司是专业的半导体器件分销商,主要代理国产知名品牌电子元器件软件方案等产品经营产品包括IC、IGBT单管/模块、 场效应管、快恢复肖特基二极管等全线无铅产品,其广泛应用于LED驱动电源、数字电视、汽车电子、电机调速、变频伺服器、电脑及周边产品、通讯设备等各个行业。
作为专业的国产半导体器件专家,飞捷士一直致力于为广大客户提供半导体配套产品及前卫的解决方案为客户提供从产品资料,产品选型供应保障及物流服务等专业服务返回搜狐,查看更多责任编辑:
手机: 电话: EMAIL:68048562@qq.com
公司地址:广东省佛山市 网址:www.aadkj.com
Copyright © 铝浩建材厂 All Rights Reserved. 湘ICP备2024042242号-4 xml地图